Dummyload voor zelfbouw

dummyDummyload voor zelfbouw

In de meeste landen staat in de voorschriften voor radio amateurs dat deze moet beschikken over een niet-stralende belasting om zijn zender mee af te regelen dan wel testen. Zo'n kunstmatige belasting ofwel Dummy Load is absoluut noodzakelijk voor het afregelen van een zender. Commerciele dummies zijn vaak duur, terwijl ze eenvoudig zelf te maken zijn.

 

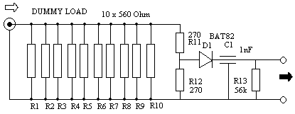
De hier beschreven dummyload kan 10W vermogen aan gedurende een aantal minuten, en is ontworpen voor de meest voorkomende impedantie van 50 Ohm. De dummy bestaat uit een aantal parallel geschakelde 560 ohm 1 watt weerstanden, R1 t/m R10, een spanningsdeler R11-R12, en een gelijkricht sectie met D1-C1. Naast het belasten van de zender met een minimaal reflecterende belasting levert de dummy ook een spanning die, aangesloten op een voltmeter, een indicatie geeft van het aangeboden vermogen. Wil je meer stoken dan 10W, gebruik dan meer en/of zwaardere weerstanden. Zolang ze maar gezamelijk 50 ohm opleveren. Bijvoorbeeld bij het gebruik van 20 weerstanden van 2W 1200 Ohm voor R1 t/m R10 en 150 Ohm voor R11 en R12, heb je een 40W versie. Pas wel op dat je geen draadgewonden weerstanden gebruikt! Die gedragen zich uiteraard bij HF niet meer als weerstand, maar als spoel. Ouderwetse koolweerstanden zijn het best. Voor de diode is bijna elk Schottky type wel geschikt. Ook types als de BAT85 en HSCH1001 bijvoorbeeld doen het uitstekend. Zelfs een germanium type zoals de AA119 zal het wel doen, maar alleen voor lagere vermogens.

Schema 

De dummyload kan in een blikken doosje ondergebracht worden waarbij de weerstanden cirkelvormig vanaf de middenpoot van een BNC of SO239 plug naar de wereld gesoldeerd kunnen worden (het blikken doosje zelf). Condensator C1 is een doorvoer type waarvoor een gaatje geboord moet worden in het deksel. De weerstanden moeten met zo kort mogelijke aansluitdraden verbonden worden om de reactieve component van de dummy zo klein mogelijk te houden. Na montage van de weerstanden kan je het deksel erop doen en rondom dichtsolderen om de dummy zo HF-dicht mogelijk te maken. Boor geen ventilatiegaatjes, anders doe je al je moeite van het dichtsolderen teniet… Het blikje kan knap heet worden als je er een tijdje HF in pompt, maar dat is niets om je zorgen over te maken. Over het algemeen maak je geen doorgangen van een uur in een dummyload…

De uitgang voor de voltmeter kan je kalibreren tegen een professionele wattmeter zoals de Bird Thruline. Je kunt de spanningen bij diverse vermogens noteren zodat er een grafiek van te maken is. Afhankelijk van de reactieve component van de gebruikte weerstanden zou de dummy een SWR van minder dan 1,5 moeten geven tot 450 MHz. Weerstand R13 kan weggelaten worden als de dummy altijd met dezelfde voltmeter gebruikt wordt.