Triple Ratio Balun
In het artikel over de Buddipole perikelen maakte ik al melding van de Triple Ratio Balun die voor lage(re) golflengten eigenlijk onmisbaar is in samenwerking met de Buddipole. Na een zoektocht op het onvolprezen internet heb ik gevonden hoe je zo'n ding zelf kunt maken, en zoals beloofd volgt dan hierbij de beschrijving.
Het oorspronkelijke ontwerp is afkomstig van WB6ZQZ, die er ook een tijd lang een bouwkit van heeft aangeboden. Maar zoals zo vaak bij een succesvol ontwerp, heeft hij het ontwerp inmiddels commercieel in productie genomen, en hij biedt het nu aan via zijn firma – die het exclusief onder het Buddipole label levert…
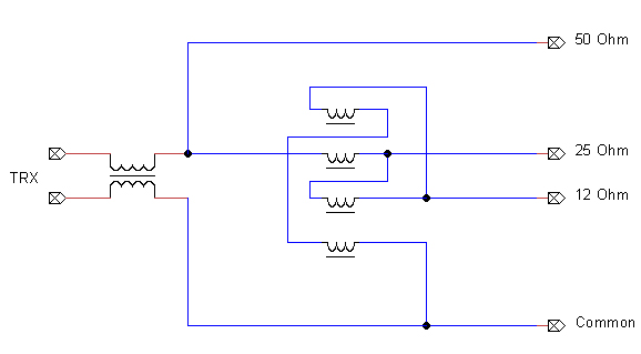
Gelukkig had hij zijn aantekeningen op internet laten staan, en daaruit is de rest van dit verhaal afgeleid. Het schema van de Triple Ratio Balun ziet er uit als volgt:
Zoals te zien is, bestaat de balun eigenlijk uit twee delen. De linker transformator is een mantelstroom smoorspoel. Die heb je bij gebruik van deze balun dus extern niet meer nodig. Het principe berust erop, dat de heengaande stroom de terugkerende stroom volledig moet opheffen – zoals bij een perfect gebalanceerde antenne het geval is. In dat geval wekken beide windingen immers een gelijk, maar tegengesteld magnetisch veld op en is de spoel elektrisch gezien onzichtbaar. Maar bij ongelijke stromen zal de spoel de ongelijkheid tegenwerken, net als bij een mantelstroomfilter (of een aardlekschakelaar, die volgens het zelfde principe werkt).
De tweede serie van 4 spoelen aan de rechterkant vormen een impedantietransformator volgens het autotransformatorprincipe: Geen gescheiden wikkelingen voor primair en secundair, maar 1 winding met aftakkingen op de plekken die nodig zijn.
De uitvoering van de mantelstroom smoorspoel is als volgt:
Op een ringkern met een permeabiliteit van 250-300 worden 11,5 bifilaire windingen gelegd. Dat wil zeggen dat je de twee draden gelijktijdig wikkelt. Zoals te zien is worden de twee draden met stukjes tape bij elkaar gehouden en wel zodanig, dat de tape de windingen gelijk beschermt tegen het beschadigen bij het buigen. Het uiteindelijke resultaat ziet er dan als volgt uit:
In het originele bouwpakket kwamen de windingen aan het eind in het midden van de ringkern uit en werden daar op de print gesoldeerd. Dat de draden in het midden uitkomen is op de foto goed te zien.
De impedantietransformator wordt met maar liefst 4 draden tegelijk gewikkeld, maar het goede nieuws is dat er maar 5,5 windingen nodig zijn. Doordat alle windingen in serie staan, zijn het er uiteindelijk 22. De transformatie verhouding wordt bereikt door op de 1e en 2e spoel af te takken. Dat levert voor de halve transformator een factor 4 op (immers is de transformatieverhouding het kwadraat van de wikkelverhouding) en dat is dus de 12,5 Ohm aansluiting. De andere aftakking wordt op 3/4 van de transformator gemaakt, en is dus eigenlijk geen 25 Ohm maar:
50 x (3/4)2 = 50 x (9/16) = 28,125 Ohm.
Dicht genoeg bij. Hoe het wikkelen in zijn werk gaat, laten de volgende foto's zien:
Ook hier worden de windingen weer met stukjes tape (pleister) bij elkaar gehouden, en worden 5 windingen gelegd. Zo gaat het wikkelen verder:
De spoelen kunnen op een stuk veroboard gemonteerd worden. Voeg verder een 3-standen schakelaar toe waarmee je kunt kiezen tussen de 3 aansluitingen, en je hebt je eigen Triple Ratio Switched Balun. Na het bouwen zag het originele kitje er als volgt uit:
Hier werd gebruik gemaakt van PowerPole verbindingen om de buddipole aan te sluiten, met een BNC voor de TRX kant. Maar met een schakelaar hoef je uiteraard geen aansluitingen te verwisselen. De bouw hoeft niet veel te kosten en levert je een hoop plezier op bij het experimenteren met antennes met lage impedantie.