Dubbeltoon generator bouwervaring
Na Hugo PA2HW wilde ik zelf ook de dubbeltoongenerator bouwen. Dat leek me wel handig voor het checken van eindtrappen, linears en overige eigen bouwsels. Daarnaast had ik nog een leuk metertje liggen dat ik er ook in wilde klussen. Gelukkig was het slecht weer afgelopen zondag, dus een mooi excuus om de shack in te duiken.
Waarschijnlijk hebben jullie ook al het artikel over Hugo's versie gelezen, dus daar zal ik verder niet meer over uitwijden. Een simpele Wienbrug oscillator met een buffertje erachter, wat kan daar nou aan mis. Nou, een hoop… De 1300Hz oscillator werkte in 1 keer. Maar de 1000Hz oscillator was instabiel. Soms oscilleerde hij, dan weer niet, dan weer zag je 'm op de scoop langzaam inzakken, en door met de vinger hier en daar de onderdelen te kietelen wilde hij soms weer oscilleren. Gék werd ik van dat ding.
Dus een kop koffie, even afkoelen, en logisch nadenken. Wat kan er nou mis aan een Wienbrug oscillator. Zolang C1*R1=C2*R2 (zie schema ) en de versterking minimaal 3 is, moet de boel wiebelen. Daarom kan je ook met C4 en C8 de oscillatoren uitschakelen. Je vermoordt daarmee immers de oscilleervoorwaarde. Dus als het ding niet wil oscilleren, is aan de voorwaarde niet voldaan. Nou, 3x versterken zal hij wel doen. En aan de weerstanden zal ook niet al te veel mankeren. Maar de condensatoren is een ander verhaal. De condensatoren die ik bij Kok in Leiden haalden, waren voor de 12nF uitvoering geleverd als MKT foliecondensatoren. Maar de 15nF condensatoren waren van die keramische schijfcondensatoren. En die dingen kunnen tot 20% afwijken. En dan is C1*R1 ineens níet meer C2*R2. Om die theorie te staven, prikte ik een 1nF condensatortje beurtelings parallel aan de twee 15nF C's. Bij de tweede was het raak: 1,6Vtt!
Laat dat een les zijn. Normaal gesproken maakt een beetje afwijking in een condensator niet zoveel uit. Maar in de oscillator waar er twee fasedraaiende netwerken zijn die toch wel een beetje aan elkaar gelijk moeten zijn, maakt het wél uit. Kies dus goede condensatoren.
Dan de uitbreiding. Ik wilde een level-metertje erin bouwen. Ik zou er nooit een voor kopen, maar ik had in de junkbox nog zo'n oud batterij metertje uit een gesloopt cassettedeck liggen. Ik prutste de meter open (die zat al met plakband dicht, geen idee of dat van fabriekswege was of dat de meter een keer uit elkaar gevallen was) en sloopte de originele schaal, een metalen plaatje, er voorzichtig uit.
Dat kon ik vervolgens opmeten met de schuifmaat, en daarna ontwierp ik met het programmaatje FrontDesigner van Abacom uit Duitsland een nieuw meterschaaltje. Met dat programma kan je ook frontplaten ontwerpen. Voor €39,90 schaf je dat programma aan en ik heb er al een hoop lol van gehad. Maar daarover straks meer. Het meterschaaltje printte ik gewoon op de inktjetprinter en daarna knipte ik het uit en plakte het op de plek van de oude schaal. Kapje er weer over, en ik had een professioneel ogende levelmeter gebouwd….
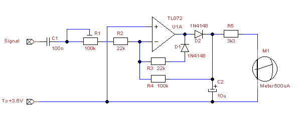
Maar nou nog dat ding aansturen. Ik zocht op internet naar VU-meterschakelingen, maar die rotdingen bestaan meestal uit een audioversterkertje met een gelijkrichter erachter, soms met germanium, maar ook met silicium dioden. Dat is leuk als je een min of meer logarithmische schaal wilt, of alleen maar geïnteresseerd bent in een bibberend naaldje zonder enige referentie, maar ik wilde toch dat de aanwijzing een beetje overeen kwam met de werkelijkheid. Die dioden beginnen immers pas bij 0,2V (germanium) of 0,7V (silicium) te geleiden en alles daaronder zie je niet. Dus heb ik zelf maar wat getekend. Dat ziet er als volgt uit:
Zoals je ziet maakt de diode nu deel uit van het terugkoppelcircuit van de opamp. Dat wil zeggen dan de opamp zal proberen zijn ingangen gelijk te maken. En dat betekent weer dat hij dat vergelijkt met de spanning achter de diode D2. Daarmee is de spanningsval over de diode gecompenseerd en is de meteraanwijzing helemaal linear met de ingangsspanning! Ik zetten een weerstand van 22k in serie met de meter en sloot 'm aan op mijn TX voeding van 13,8V. Bijna volle schaal, dus dat was aardig goed gegokt. Dat komt neer op een stroom van dik 0,62mA.
Uit de junkbox viste ik een TL072 opamp. Dat is een dubbele; de ene helft gebruikte ik als buffer voor de uitgang (opamp tussen L1 in het originele schema en de potmeter, zodat ik de 1 op 2 verzwakking teniet doe). De andere helft vervult de taak om de meter aan te sturen in bovenstaand schema. De versterking van de negatieve sinushelft wordt bepaald door R4 gedeeld door R1+R2. Omdat de inverterende kant van de opamp gebruikt wordt, levert deze de positieve spanning aan de meter. De versterking van de positieve sinushelft, die aan de uitgang dus een negatief signaal oplevert, wordt bepaald door R3 gedeeld door R1+R2. Die versterking is ruim een factor 4 lager! Het heeft immers helemaal geen zin om de versterker ver negatief uit te sturen. Dat zou 'm alleen maar laten vastlopen en we doen niets met de negatieve uitgangsspanning.
De referentiespanning van deze opamp helft wordt afgetapt van de referentiespanning van de LM324 opamps: het knooppunt van de zeners D3 en D6. Condensator C2 in bovenstaand schema doet nog een beetje dienst als piek-hold, en de weerstand R5 begrenst de meterstroom. Ik gebruikte een potmeter van 100k aan de ingang van de opamp in plaats van R1 en R2, zette de toongenerator op 1,41V topwaarde (2,82Vtt) en regelde met de potmeter de meter op volle schaal (1,41V top is 1Veff ofwel RMS – Root Mean Square, de Engelse uitdrukking voor wat wij effectief noemen). Vervolgens meette ik de potmeterwaarde (69k4) en verving de potmeter door een vaste weerstand van 68k. Kan die ook niet meer verlopen.
Daarna was het weer tijd voor FrontDesigner. Ik maakte een leuk frontje en printte dat uit op een A4 sticker. Daarna uitknippen, op het plastic frontje plakken en ouderwetse boeklon er overheen (transparante plakfolie). En dat geeft het geheel in elk geval een minder rommelige aanblik – iets dat bij mijn bouwsels doorgaans een probleem is. Resultaat: Weer een meetinstrument erbij!